일반 이음관 [MRF]

MRF LT관 (YT관)

견적서 다운로드 및 발송

MRF LT관 (YT관)  l  MRF LT Fitting (YT Fitting)

4b4adfe32ccc9.png

5458184cf3e41.png


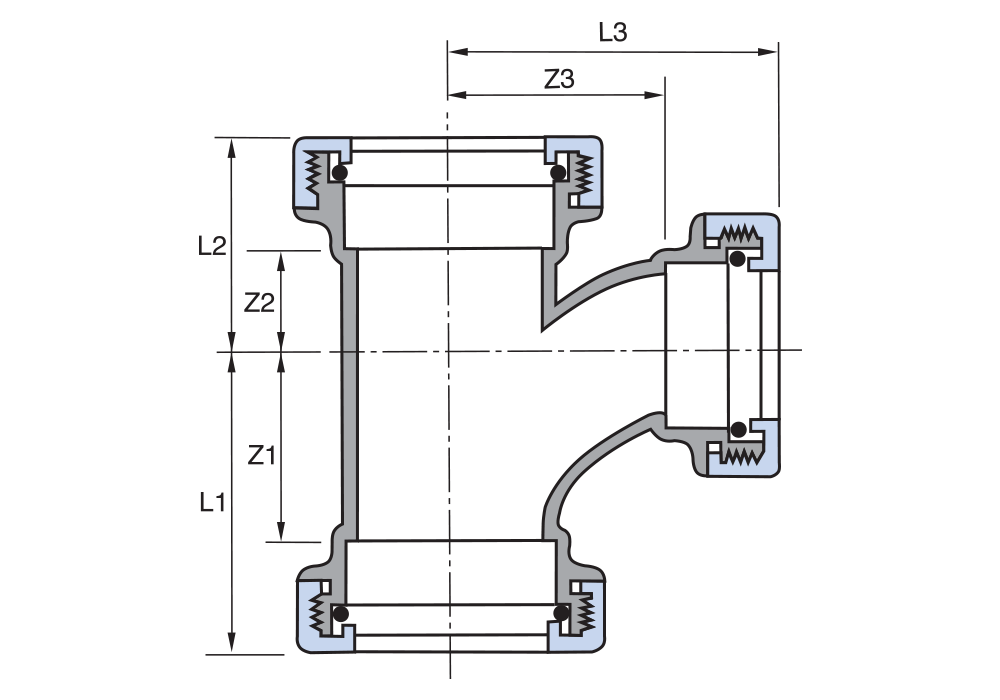
Specification


단위 : mm

호칭/기호Z₁Z₂Z₃L₁L₂L₃
50662666975797
751003010014777147
10012845128186103186

주) 1. Z의 허용범위는 ±2mm로 한다.
2. L은 표준치수를 나타낸다.

© MIJOO C&I

Tel. 055-363-5953~4 , 051-728-3400 
Fax. 055-363-5955
mijoo@mijoochem.com
주소: 경남 양산시 내연1길 10(평산동)