저소음 이중 이음관 [N/MRF]

N/MRF 이경소켓

견적서 다운로드 및 발송

N/MRF 이경소켓  l  N/MRF Binary Socket

330ac330434f5.png

ffcfd5f2022de.png


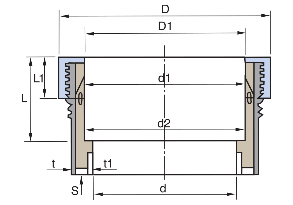
Specification


단위 : mm

  호칭/기호바깥지름안지름길이두께(최소치)공간
DD₁허용치d₁d₂d허용치II₁허용치t₁t₂S
356751±0.3434331±0.252619±1434
508871±0.3616149±0.253622±1435
75125102±0.3959077±0.255125±1536
100150127±0.3119115101±0.255628±1536

주) 1. 고무링의 재질은 KS M6613의 1종 1호에 따른다.
2. I 및 D의 허용치는 2mm로 한다.
3. 규격은 제품의 성능 개선을 위하여 예고없이 변경될 수 있다.

© MIJOO C&I

Tel. 055-363-5953~4 , 051-728-3400 
Fax. 055-363-5955
mijoo@mijoochem.com
주소: 경남 양산시 내연1길 10(평산동)